产品详情
AK2600B 开关柜电气接点测温装置
- 厂家信息
- 产品信息
- 规格参数
- 技术文档
潍坊市安科电气有限公司系专业从事生产电力系统自动化产品的科技有限责任公司。自成立以来,依托各科研院校,电力系统相关技术人员及公司专业技术人员,从事研究开发电力系统各种温湿度控制器、开关柜综合状态指示仪、智能操控装置和干变温度控制器等仪表,努力开拓电力系统自动化这一高新技术领域。
潍坊市安科电气有限公司依靠规范服务、有序管理,使每一位客户信息都记录在案,不但有据可查,而且资源共享,信息资源的效力得已充分发挥。同时,公司从管理着手,引进了优秀的 ERP企业系统管理软件。此管理系统基于企业局域网平台,联结了企业的采购、销售、技术 、仓库、财务决策等部门,整合企业上下级的各种资源,并规范实现了产、供、销管理,改善了企业的生产效率和经营有效性,更加有效加强了企业与用户之间联系的时效性,使我们能将优秀的产品解决方案及时提供给客户。
产品图片
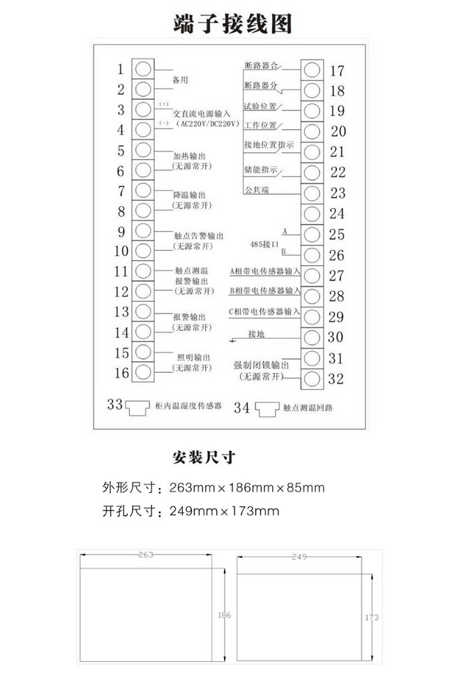
AK2600B 开关柜电气接点测温装置

全新概念开关柜智能装置,是我公司在原有的开关柜智能操控装置和电气接点测温装置完美结合。既具有开关柜智能操控装置全部功能,又具有电气接点测量装置全部功能。不仅从外观上和安装上解决开关柜多种元件的有机结合,而且美化开关柜,并提升开关柜的价值和有效的使用寿命。是广大电气用户和成套公司高层次的选择。
主要功能
1) 开关柜动态模拟显示图
2) 温湿度控制器加热和降温装置
3) 高压带电显示和闭锁
4) 语音防误提示
5) 远方就地、分合闸转换开关,储能开关
6) 人体红外感应,手动/自动照明
7) 现场可编程设置
8) 多路开关接点在线温度实时数据显示。
9) 报警温度上下限设定数据显示。
10) 通讯地址和波特率设定功能。
11) 开关接点测量温度在线补偿功能。
12) 无数据信号报警功能。
13) 开关接点测量温度数据统计和分析报表功能。
14) 设备自检功能和自动恢复功能。
15)具有远程数据通讯功能,RS485 通讯接口,Modbust通讯协议,所有数据都能通过数据总线上传到上一级采集器或者上位机系统。

主要功能
1) 开关柜动态模拟显示图
2) 温湿度控制器加热和降温装置
3) 高压带电显示和闭锁
4) 语音防误提示
5) 远方就地、分合闸转换开关,储能开关
6) 人体红外感应,手动/自动照明
7) 现场可编程设置
8) 多路开关接点在线温度实时数据显示。
9) 报警温度上下限设定数据显示。
10) 通讯地址和波特率设定功能。
11) 开关接点测量温度在线补偿功能。
12) 无数据信号报警功能。
13) 开关接点测量温度数据统计和分析报表功能。
14) 设备自检功能和自动恢复功能。
15)具有远程数据通讯功能,RS485 通讯接口,Modbust通讯协议,所有数据都能通过数据总线上传到上一级采集器或者上位机系统。
