产品详情
DFW 环网开闭所
- 厂家信息
- 产品信息
- 规格参数
- 技术文档
安徽鹏耀电气有限公司是集科研开发、设计制造、营销与服务于一体的智能5G电气设备制造企业。产品广泛用于国家电网、南方电网、中国移动、中国电信、中国铁路、建筑工程、船舶制造、石油化工等 行业。公司总部位于浙江温州,与2022年2月搬迁至安徽蚌埠,坐落于安徽省蚌埠市淮河北岸中国南北分界线,总投资金额6亿,总占地面积175亩,一期总建筑面积50亩,投产后创收入2.5亿元,拥有60000平方米的标准化生产车间,毗邻宁洛高速和合徐高速蚌埠西出口,距京沪高 铁蚌埠南站10余公里,交通便利通达。
公司主营产品:智能剩余电流动作断路器、智能框架断路器、光伏专用塑壳断路器、电子式塑壳断路器、光伏专用并网箱、国网标准化低压柜(SLVA)、农网智能综合配电箱、智能采集电能计量箱、电缆分支箱、一二次融合环网柜、箱式变电站、10KV及35KV智能物联网(5G)成套电气设备和自动化数控精工制作等,公司目前拥有实用新型专利126项,发明专利21项。
公司立志向光伏发电设备和智能物联网(5G)高低压电气元器件、成套开关设备领域深耕,外引行业专家,内招培养,建立技术研发体系,鹏耀电气积极拥抱智能科技,传承工匠精神。随着科技的不断进步和智能化程度的进一步提升,鹏耀将在电气智能化领域取得更大的突破。在珠城这片创业的热土,鹏耀人将以全新姿态,昂扬斗志,乘风破浪,砥砺前行!
产品图片
DFW 环网开闭所

功能及特点
1、采用预制式带电可触摸硅橡胶电缆头,全密封、全绝缘、免维护,可靠保证人身安全
2、结构紧凑,外形小巧美观,不锈钢双层箱体,使用寿命可达二十年以上;
3、在不影响主网运行的前提下,实现区域停电检修,减小停电范围;4、可配一台或多台SF6负荷开关。接线方式灵活多样,分支出线最多可达8回路;
5、可选避雷器、短路故障指示器、限流熔断器等,满足用户各种要求。
适用范围
广泛应用于城市电网改造、住宅小区、商业中心等城市人口密集区。
型号及其含义

适应环境
1.环境温度:最高气温:+40℃,最低气温-30℃
2.风速:相当34m/s(不大于700Pa)
3.湿度:日相对湿度平均值不大于95%;月相对湿度平均值不大于95%4.防震:水平加速度不大于0.4m/s2,垂直加速度不大于0.15m/s2
5.安装地点倾斜度:不大于3°
6.安装环境:周围空气应不受腐蚀性、可燃性气体、水蒸气等明显污染,安装地点无剧烈震动。
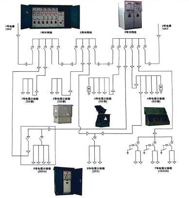
典型一次系统图

适应环境
1.环境温度:最高气温:+40℃,最低气温-30℃
2.风速:相当34m/s(不大于700Pa)
3.湿度:日相对湿度平均值不大于95%;月相对湿度平均值不大于95%4.防震:水平加速度不大于0.4m/s2,垂直加速度不大于0.15m/s2
5.安装地点倾斜度:不大于3°
6.安装环境:周围空气应不受腐蚀性、可燃性气体、水蒸气等明显污染,安装地点无剧烈震动。
典型一次系统图

