产品详情
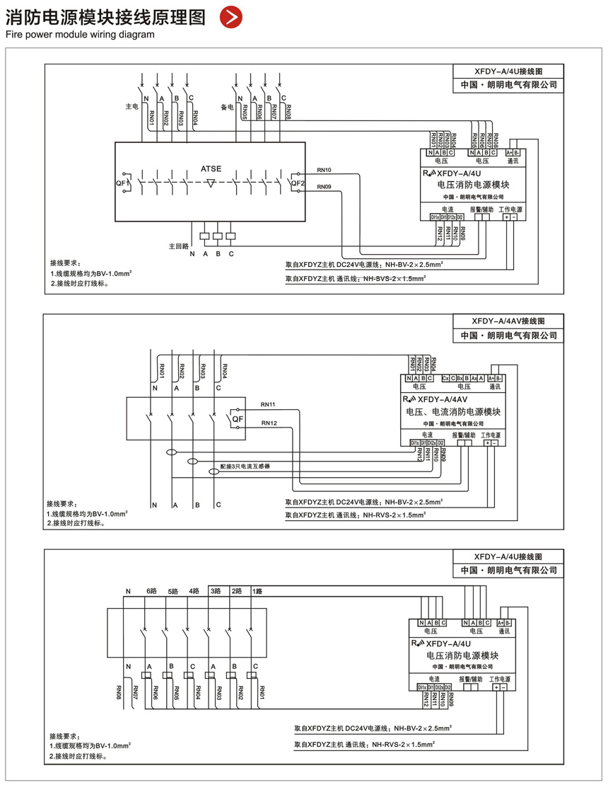
消防电源模块
- 厂家信息
- 产品信息
- 规格参数
- 技术文档
朗明电气有限公司是国内双电源自动转换开关制造商之一公司坐落于浙江温州海洋经济发展示范区,毗邻“中国电器之都”、“国际电器城”、“中国低压电器出口基地”。厂区与228国道相邻,距甬台温高速出口仅5公里,公路运输四通八达,确保货物朝发夕至;海上由温州、上海、宁波等港口直接出港;铁路运输由温州火车站直发各国各地;空中由温州永强机场直接抵达。
公司为配电开关控制设备、电气成套设备、电工电料、火灾报警监控探测设备、高压电器等加工、生产、销售一体型企业。主导产品有双电源自动转换开关、控制与保护开关电器、电气火灾监控探测器、消防电源监控系统、智能重合闸电源保护器、智能照明开关控制模块、智能数显仪表、多功能电力仪表、浪涌保护器、自复式过欠压保护器、小型断路器、小型漏电断路器、小型断路器附件、塑壳断路器、塑壳漏电断路器、负荷隔离开关、电机软启动器、变频器、智能漏电综合保护器、智能型万能式断路器、高压开关等600多种规格的产品,产品先后获得国内外认证证书。
产品图片
消防电源模块









