高压静止无功发生器SVG成套设备
- 厂家信息
- 产品信息
- 规格参数
- 技术文档
产品图片
高压静止无功发生器SVG成套设备

产品概述
高压静止无功发生器SVG,就是专指由自换相的电力半导体桥式变流器来进行动态无功补偿的装置。SVG是世界.上迄今为止性能最优越的静止无功补偿设备。
康斯坦茨KS系列高压静止无功发生器的基本原理就是将自换相桥式电路通过电抗器并联在电网上,适当调节桥式电路交流侧输出电压的相位和幅值,或者直接控制其交流侧电流,以使该电路吸收或者发出满足要求的无功电流,实现动态无功补偿的目的。
产品型号

主要功能
KS系列高压HSVG是当今无功补偿领域最新技术的代表。KS-HSVG并联于电网中,相当于一个可变的无功电流源,其无功电流可以快速地跟随负荷无功电流的变化而变化,自动补偿系统所需无功功率。其主要功能如下:
●提高线路输电稳定性
●谐波动态补偿,改善电能质量
●维持受电端电压,加强系统电压稳定性
●抑制电压波动和闪变;
●补偿系统无功功率,提高功率因数
●抑制三相不平衡
KS系列高压HSVG
四种主要功能模式:装置恒无功、考核点恒功率因数、考核点恒无功、考核点恒电压
两种布置方案:户内柜式、户外箱变式
两种并网方式:6kV、10kV、35kV直挂式;6kV、10kV、35kV,66kV降压式
技术特点
KS-HSVG是基于电压源型变流器的补偿装置,实现了无功补偿方式质的飞跃。它不再采用大容量的电容、电感器件,而是通过大功率电力电子器件的高频开关(IGBT)实现无功能量的变换。KS-HSVG较传统的无功补偿装置有如下特点:
●响应速度更快,5ms以内
●补偿功能多样化,无功补偿、谐波补偿、负序补偿、综合补偿
●电压闪变抑制能力更强,大于80%
●运行范围更宽,-100%至+100%额定容量
●谐波含量极低,几乎无谐波,还能滤波
●占地面积小,现场施工量小
拓扑结构
KS系列链式高压HSVG,装置采用相内功率单元串联技术,功率单元采用H式拓扑结构,技术可靠。当有功率单元发生故障时可直接在主机控制参数中将故障单元冗余掉,整套装置依然正常运行。这样极大地提高了高压静止无功发生器的可靠性、灵活性和可维护性。
KS-HSVG工作模式与补偿特性
柜体与组成
KS系列链式高压HSVG,由启动柜、功率柜、控制柜组成。
| KS系列10kV高压SVG柜体装置常规尺寸 | |||||
| 容量(C)/Mvar | 1〜4 | 5〜6 | 7~8 | 9~10(空抗) | 11~12(空抗) |
| 宽(W)/mm | 3800 | 4100 | 5100 | 5000 | 5000 |
| 高(H)/mm | 2400 | ||||
| 深(D)/mm | 1400 | ||||
柜体顶部散热风机增加500mm高度
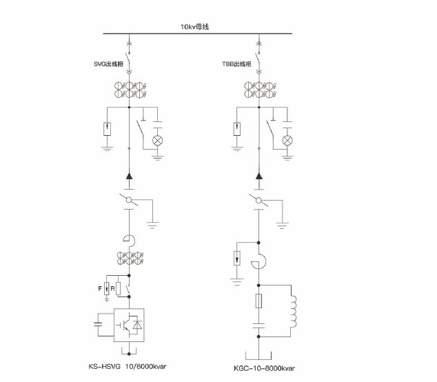
产品一次系统图

选型速查
直挂式
| 直挂式KS-HSVG选型表 | ||
| 系统电压 | 规格型号 | 额定容量 |
| 6kV | KS-HSVG-6/1000 | 1000 |
| KS-HSVG-6/5000 | 5000 | |
| KS-HSVG-6/10000 | 10000 | |
| KS-HSVG-10/1000 | 1000 | |
| 10kV | KS-HSVG-10/5000 | 5000 |
| KS-HSVG-10/10000 | 10000 | |
| KS-HSVG-10/15000 | 15000 | |
| KS-HSVG-35/1000 | 1000 | |
| 35kV | KS-HSVG-35/5000 | 5000 |
| KS-HSVG-35/10000 | 10000 | |
| KS-HSVG-35/15000 | 15000 | |
| 降压式KS-HSVG选型表 | ||
| 系统电压 | 规格型号 | 额定容量 |
| 6kV | KS-HSVG-B5/200 | 200 |
| KS-HSVG-Bo/800 | 800 | |
| KS-HSVG-B6/2500 | 2500 | |
| 10kV | KS-HSVG-B10/200 | 200 |
| KS-HSVG-B10/500 | 500 | |
| KS-HSVG-B10/1000 | 1000 | |
| KS-HSVG-B10/2500 | 2500 | |
| 35kV | KS-HSVG-B35/1000 | 1000 |
| KS-HSVG-B35/5000 | 5000 | |
| KS-HSVG-B35/10000 | 10000 | |
| KS-HSVG-B35/15000 | 15000 | |
| 66kV | KS-HSVG-B66/1000 | 1000 |
| KS-HSVG-B66/5000 | 5000 | |
| KS-HSVG-B66/10000 | 10000 | |
| KS-HSVG-B66/15000 | 15000 | |
要功能如下:
●提高线路输电稳定性
●谐波动态补偿,改善电能质量
●维持受电端电压,加强系统电压稳定性
●抑制电压波动和闪变;
●补偿系统无功功率,提高功率因数
●抑制三相不平衡
KS系列高压HSVG
四种主要功能模式:装置恒无功、考核点恒功率因数、考核点恒无功、考核点恒电压
两种布置方案:户内柜式、户外箱变式
两种并网方式:6kV、10kV、35kV直挂式;6kV、10kV、35kV,66kV降压式
技术特点
KS-HSVG是基于电压源型变流器的补偿装置,实现了无功补偿方式质的飞跃。它不再采用大容量的电容、电感器件,而是通过大功率电力电子器件的高频开关(IGBT)实现无功能量的变换。KS-HSVG较传统的无功补偿装置有如下特点:
●响应速度更快,5ms以内
●补偿功能多样化,无功补偿、谐波补偿、负序补偿、综合补偿
●电压闪变抑制能力更强,大于80%
●运行范围更宽,-100%至+100%额定容量
●谐波含量极低,几乎无谐波,还能滤波
●占地面积小,现场施工量小
拓扑结构
KS系列链式高压HSVG,装置采用相内功率单元串联技术,功率单元采用H式拓扑结构,技术可靠。当有功率单元发生故障时可直接在主机控制参数中将故障单元冗余掉,整套装置依然正常运行。这样极大地提高了高压静止无功发生器的可靠性、灵活性和可维护性。
KS-HSVG工作模式与补偿特性
