电容器投切开关
- 厂家信息
- 产品信息
- 规格参数
- 技术文档
产品图片
电容器投切开关

产品概述
KS/FK电容器投切开关是将高耐压大电流晶闸管与磁保持继电器的触点相并联,通过微电脑控制,自动寻找最佳投入点和最佳切除点,实现电压过零投入和电流过零切除,通断瞬间由晶闸管完成,运行通流由磁保持继电器经脉冲电压触发使触点吸合而完成。
KS/FK电容器投切开关选用晶闸管开关和磁保持开关并联运行,其在接通和断开的瞬间具有可控硅过零投切的优点,而在正常接通期间又具有磁保持开关零功耗的优点。
KS/FK电容器投切开关具有无冲击、低功耗、高寿命等显著优点,可替代接触器或晶闸管开关,广泛用于低压无功补偿领域。
产品型号

主要技术参数
●额定电压、工作电源及额定电流额定工作电压:380V(共补)/220V(分补)三相四线交流
●50HZ;允许偏差:三相电压同步变化不大于+20%;波形为正弦波,失真度小于5%;额定频率:50Hz+5%;
●额定电流:30/38/45/63/80A;
●使用寿命:50万次
●相数:三相(△型接法);单相(Y型接法);
●控制容量:三相共补电容器组容量:16/20/25/30/40Kvar;分补三相电容器组总容量:16/20/25/30/40Kvar;
●响应时间≤60ms.
使用条件
●海拔高度不超过2000米(2000米以上按标准修正)
●环境温度:-40~+50°C
●安装场所无剧烈的机械振动、无有害气体及蒸汽、无导电性及爆炸性尘埃
●连续运行电压1.0Un,长期过电压最高值不超过1.1Un
●稳态过电流(包括谐波电流)不超过1.5In
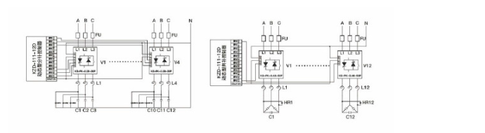
主接线原理图

主接线原理图
| 型号 | 額定电流/A | 可控制电容器容量/kvar | 尺寸 |
| 380/400V | |||
| KS/FK-45△ | 45 | 20 | 外形:186X1164
|
| KS/FK-55△ | 55 | 30 | |
| KS/FK-70△ | 70 | 40 | |
| KS/FK-80△ | 80 | 50 | |
| KS/FK-45Y | 45 | 20 | |
| KS/FK-55Y | 55 | 30 |
主要技术参数
●额定电压、工作电源及额定电流额定工作电压:380V(共补)/220V(分补)三相四线交流
●50HZ;允许偏差:三相电压同步变化不大于+20%;波形为正弦波,失真度小于5%;额定频率:50Hz+5%;
●额定电流:30/38/45/63/80A;
●使用寿命:50万次
●相数:三相(△型接法);单相(Y型接法);
●控制容量:三相共补电容器组容量:16/20/25/30/40Kvar;分补三相电容器组总容量:16/20/25/30/40Kvar;
●响应时间≤60ms.
使用条件
●海拔高度不超过2000米(2000米以上按标准修正)
●环境温度:-40~+50°C
●安装场所无剧烈的机械振动、无有害气体及蒸汽、无导电性及爆炸性尘埃
●连续运行电压1.0Un,长期过电压最高值不超过1.1Un
●稳态过电流(包括谐波电流)不超过1.5In

