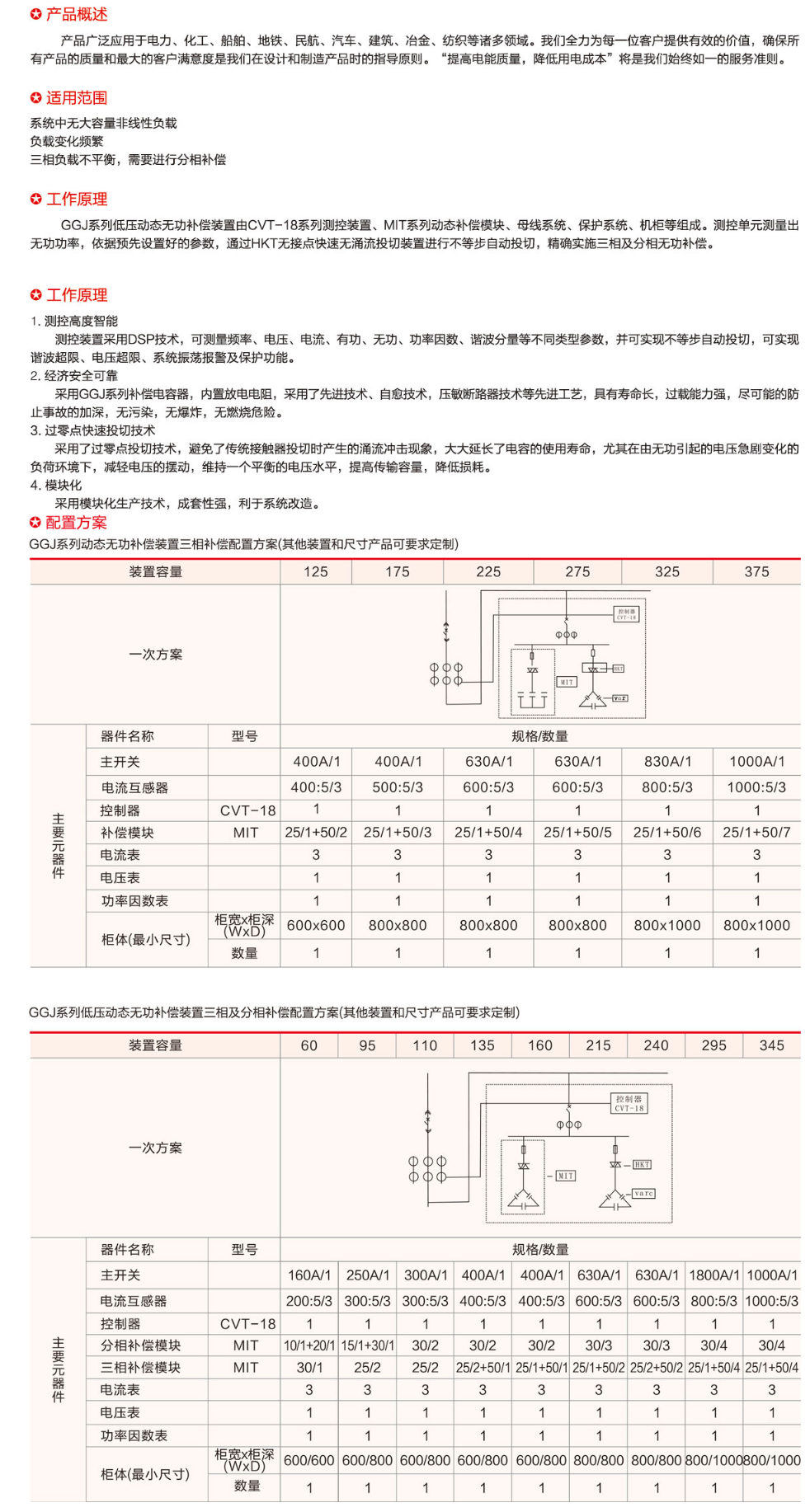
产品详情
GGJ系列动态无功补偿装置
- 厂家信息
- 产品信息
- 规格参数
- 技术文档
欧开实业集团有限公司,是一家以工业电气销售服务为核心,集科研、商贸、金融、投资为一体的多元化现代化企业。
公司主要销售小型断路器、漏电断路器、塑壳断路器、交流接触器、倒顺开关、组合开关、双电源、自耦减压起动柜、软起动器、低压成套开关设备等。产品广泛用于电力、建筑、冶金、石化、水利、电子等行业领域。
公司本着“不断进取、务实、诚信、团结、创新”的创业宗旨。通过“内培外引”的方式建立—支具有团结敬业,勇于超越的团队精神和富有国竞争力的精英队伍,为客户提供优异产品和服务。
展望未来,二十一世纪知识经济的时代,企业竞争与发展同存,机遇与挑战并举,欧开人决心与时俱进,展开百年规划蓝图,继续以品牌为旗帜,以技术为核心,以营销为龙头,以人力资源为根本,以低压电器产业为支柱,向着品牌化,产品本土化,以敏锐的目光,昂扬的姿态走向世界,迈向一个更广阔的时代和未来。
产品图片
GGJ系列动态无功补偿装置



