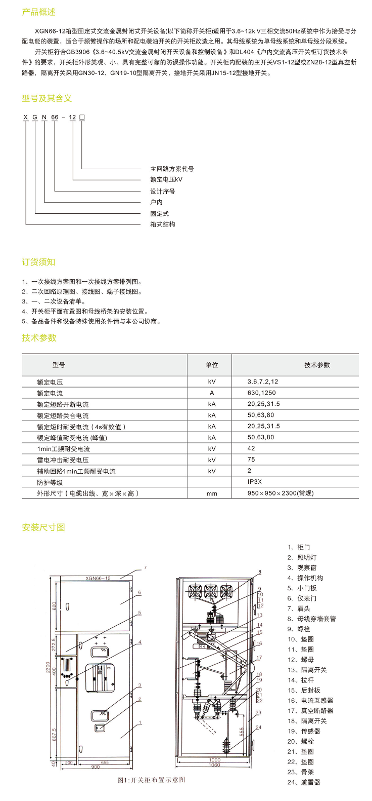
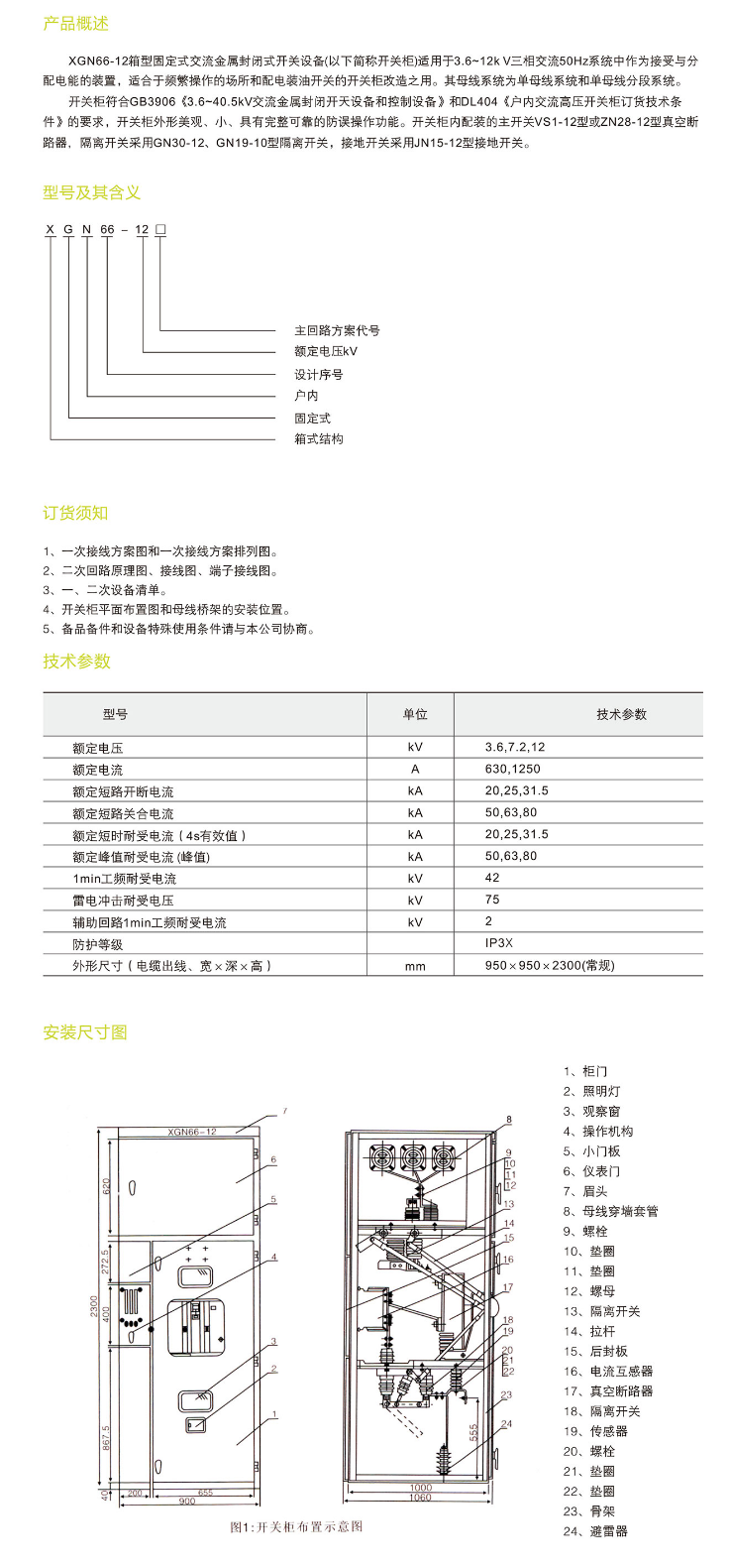
产品详情
XGN66-12系列箱型固定式金属封闭开关设备
- 厂家信息
- 产品信息
- 规格参数
- 技术文档
浙江禾锐电气有限公司是一家从事箱式变电站、成套电气及高低压电器元件的设计、开发生产、销售和服务。
公司以先进的生产设备、雄厚的技术力量、科学的管理模式广泛地为电力、石化、冶金和矿山、港口、建筑等行业提供了优良的产品和热诚的服务,受到了广大顾客的广泛好评。在各级领导、同仁的大力支持下,经过我们的耕耘和拼搏,通过了中国国家强制性产品认证ISO9001:2015质量管理体系认证……
面对激烈的市场竞争和难得的发展机遇,我们将信心十足,热情饱满以崭新的姿态去奋斗、去迎接新的挑战。在巩固深化国内市场的同时,进一步开拓国际市场,与国际同行合作,力争以优良的产品和高品位的服务来回报社会。
产品图片
XGN66-12系列箱型固定式金属封闭开关设备



