产品详情
ZGS□-12美式预装式箱式变电站
- 厂家信息
- 产品信息
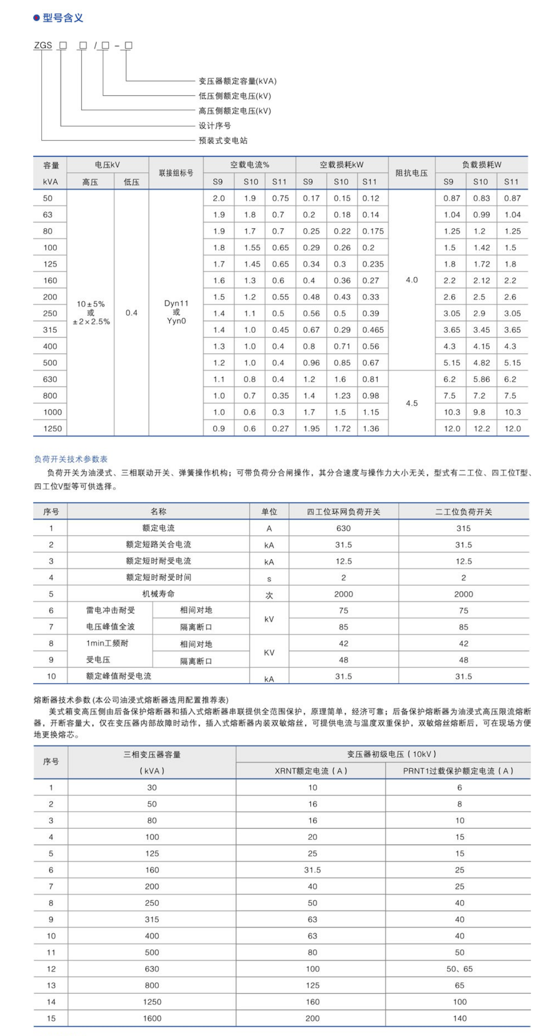
- 规格参数
- 技术文档
DOHO 东禾公司始创于2010 年,是一家致力于物联融合、数智融合的绿色电力能源解决方案供应商和技术服务商,业务聚焦于智能开关设备、智能在线业务,构建开放合作生态,为公共用户、企事业用户和终端客户提供服务。公司200余人,目前设立了温州制造基地、上海销售总部、武汉研发中心、北京、杭州、西班牙巴塞罗那等国内外9 个办事处(分公司)、25 个服务网点和备件储备网点。
在技术研发方面,共获得40 多项国家发明、实用和软件著作权等,拥有ISO 三大体系认证以及100 多项产品CQC 自愿认证,拥有 500 平米的研发实验室,成套综合特性测试台、防静电工作台、老化箱、函数信号发生器、雷击浪涌发生器、数字存储频谱分析仪、数字存储示波器等各类技术检测和生产研发设备300 多 台(套),研发投入占全年营收近4.5%。东禾拥有专业级在线故障监测与预警定位等核心技术,为客户提供专业的细分产品、智能技术解决方案和数据维护服务,其产品和解决方案应用在二十多个国家和地区,与国家电网、中能建、国家能源、中国电子、国投、京东方、正泰、中建、港华、英诺赛科等客户建立长期战略合作伙伴关系,是正泰CHINT 授权厂、协鑫、美国NOARK 等授权战略合作厂家。
产品图片
ZGS□-12美式预装式箱式变电站



