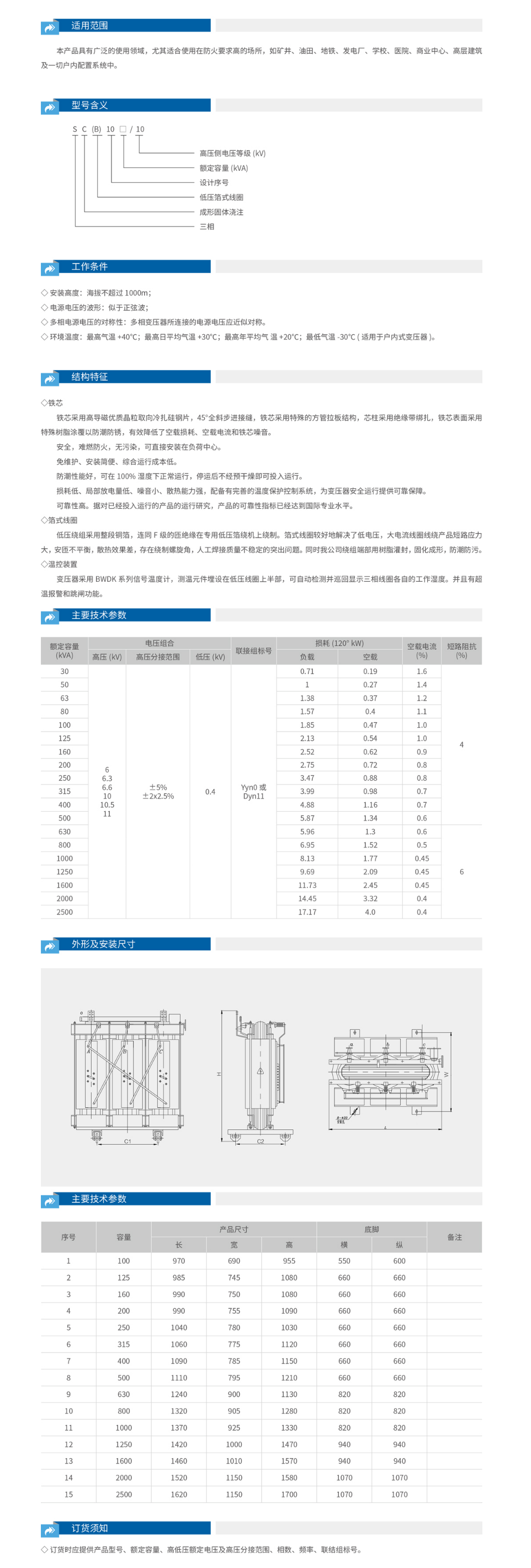
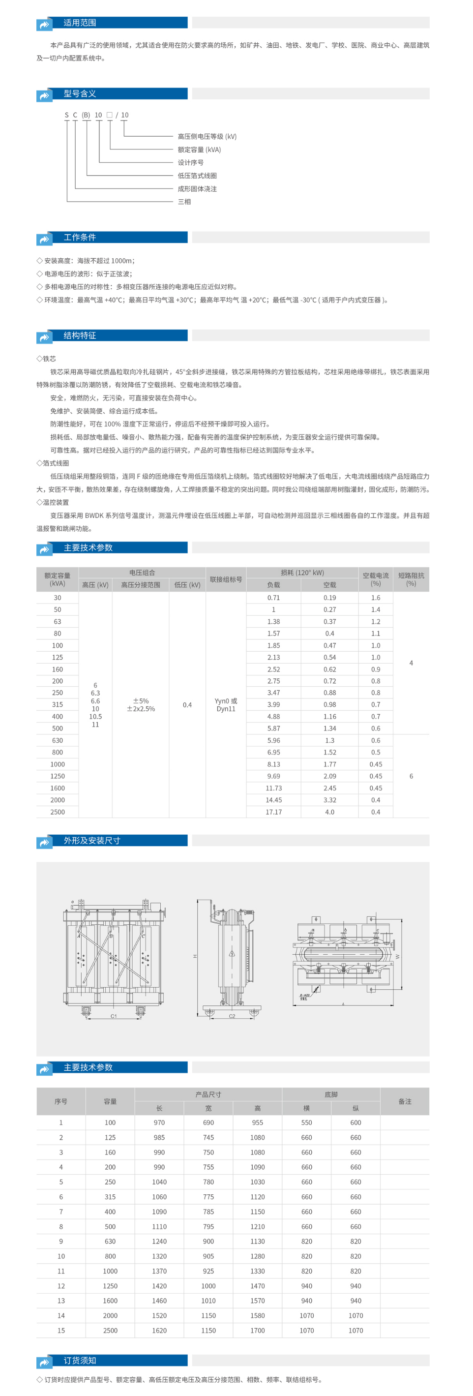
产品详情
SC(B)10-6-10kV环氧树脂浇注干式变压器
- 厂家信息
- 产品信息
- 规格参数
- 技术文档
永册集团成立于2012年,多年来专注高、低压电气成套设备及电气自动化等领域的研发、生产、销售和服务,主要产品包括环保柜、智能化开关柜、光伏并网柜、光储充一体化等电气设备。产品及解决方案广泛应用于从发电端、输配电到用电端各场景,公司业务覆盖信息通讯、新能源、电网、发电、工控等30多个行业领域和俄罗斯、厄瓜多尔、印度尼西亚、哥仑比亚等20多个国家和地区。
集团公司注册资金1.18亿元,现拥有上海永册电气,永册智能科技,永册成套电气等六家控股子公司和YONGCE Euro ,PT OMMI等多家海外分公司。集团公司率先取得、、ISO45001、CNAS、CE、SNI等相关的体系认证。多项产品荣获国内科学技术成果奖,并获得60多项国家发明、实用等证书,公司荣获成长型科技企业,省科技型企业,省型技术企业等荣誉称号。
集团奉行以客户需求为中心,创新的发展理念,聚焦电气高端装备制造,与国家电网自动化研究院,西安交通大学,华北电力大学,上海电力大学等相关专业科研院校围绕电力系统下配网“三高”和“双碳”的新生态,展开一系列的科研合作和设备研发。目前公司在纳米绝缘材料、直流电力电子技术配网设备和综合能源电力交易服务咨询得到应用并深受用户好评。
永册人不断追求创新进取,致力成为“智能电气装备的全球领航者”。
产品图片
SC(B)10-6-10kV环氧树脂浇注干式变压器



