产品详情
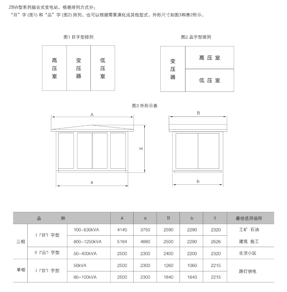
ZBW□型系列组合式变电站
- 厂家信息
- 产品信息
- 规格参数
- 技术文档
环创电气有限公司坐落于风景秀丽的雁荡山西首,紧靠104国道,距温州机场三十公里,海陆空交通便利,是集研发、生产、经营为一体的多元化企业。公司主导产品有:高、低压成套设备、箱式变电站、智能环保空气柜、固体柜、环网柜、充气柜、电缆分支箱、直流电源柜、壁挂式直流电源柜及户内外高压真空断路器等。
公司现有一批出色的工程技术人员,拥有宽敞的净化生产区,雄厚的技术力量、齐全科技的检测设备。近年来公司以成熟的技术、完善的质量管理体系、诚信可靠的服务以及难能可贵的商业道德,使得公司得到了快速的发展。公司产品通过了ISO9001国际质量体系认证,并且严格执行相关国家标准和国际标准,广泛应用于国家电网、重点工程和大型企业中配套使用,销售网络遍及各省市自治区且远销海外。产品的技术质量及生产能力均受到用户的好评和赞扬。
产品图片




