FZW28-12F户外分界真空负荷开关
- 厂家信息
- 产品信息
- 规格参数
- 技术文档
产品图片
FZW28-12F

FZW28-12F户外分界真空负荷开关(简称分界开关)使用于户外柱上安装的场合,具有手动合电动操作功能。开关本体采用引进日本东芝公司VSP5-12技术,本开关为免维护负荷开关。采用真空灭弧和SF6气体作对地及相间绝缘介质。
本产品符合:GB3804《高压交流负荷开关》及GBT11022《高压开关设备和控制设备标准的共用技术要求》。
型号含义

正常使用条件
◆ 周围空气温度上限不超过40℃,不限不超过 -45℃
◆ 风速不大于35m/s;
◆ 海拔不高于1000m,地震烈度不超过8度;
◆ 环境湿度:月平均相对湿度不大于90%;曰平均相对湿度不大于95%;
◆ 覆冰厚度不超过10mm;
◆ 安装场所应为无易燃、易爆、化学腐蚀及经常性剧烈振动的场所;
◆ 中性点接地方式:中性点不接地、中性点经消弧线圈接地、中性点经小阻接地。
客户如有其它特殊要求,可在订货时提出,我公司给予较大满足。
主要技术参数
主要技术参数
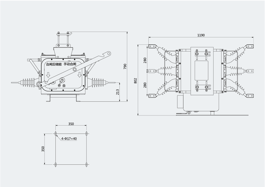
外形及安装尺寸(mm)


FZW28-12F户外分界真空负荷开关(简称分界开关)使用于户外柱上安装的场合,具有手动合电动操作功能。开关本体采用引进日本东芝公司VSP5-12技术,本开关为免维护负荷开关。采用真空灭弧和SF6气体作对地及相间绝缘介质。
本产品符合:GB3804《高压交流负荷开关》及GBT11022《高压开关设备和控制设备标准的共用技术要求》。
型号含义

正常使用条件
◆ 周围空气温度上限不超过40℃,不限不超过 -45℃
◆ 风速不大于35m/s;
◆ 海拔不高于1000m,地震烈度不超过8度;
◆ 环境湿度:月平均相对湿度不大于90%;曰平均相对湿度不大于95%;
◆ 覆冰厚度不超过10mm;
◆ 安装场所应为无易燃、易爆、化学腐蚀及经常性剧烈振动的场所;
◆ 中性点接地方式:中性点不接地、中性点经消弧线圈接地、中性点经小阻接地。
客户如有其它特殊要求,可在订货时提出,我公司给予较大满足。
主要技术参数
主要技术参数
外形及安装尺寸(mm)

