VZF-12R中置固封式真空负荷开关-熔断器组合电器
- 厂家信息
- 产品信息
- 规格参数
- 技术文档
产品图片
VZF-12R

概述
VZF-12R中置固封式真空负荷开关-熔断器组合电器(以下简称真空开关),是根据特殊的设计概念并结合市场需求而研发的最新一代真空开关设备,它广泛应用于户内铠装式空气绝缘开关柜中。他符合GB3804-2004 GB16926-1997等标准规定。
VZF-12R中置固封式真空负荷开关-熔断器组合电器在正常使用条件下,只要在真空开关的技术参数范围内,它就可以保证安全、可靠地运行与相应电压等级的电网中。
环境条件
1、环境温度:最高温度+40C℃,最低温度-25C℃。
2、环境湿度:日平均相对湿度:≤95,月平均相对湿度:≤90%。
3、日平均饱和蒸气压:≤2.2x10-3Mpa。
4、月平均饱和蒸气压:≤1.8x10-3Mpa。
5、海拔高度:不高于1500m
6、地震烈度:不超过8度。
7、适用场所:无滴水,无依然和爆炸危险,无化学腐蚀性气体无剧烈震动。
8、如产品使用环境超出以上规定,用户可以与我公司协商确定。
产品型号及含义

主要技术参数

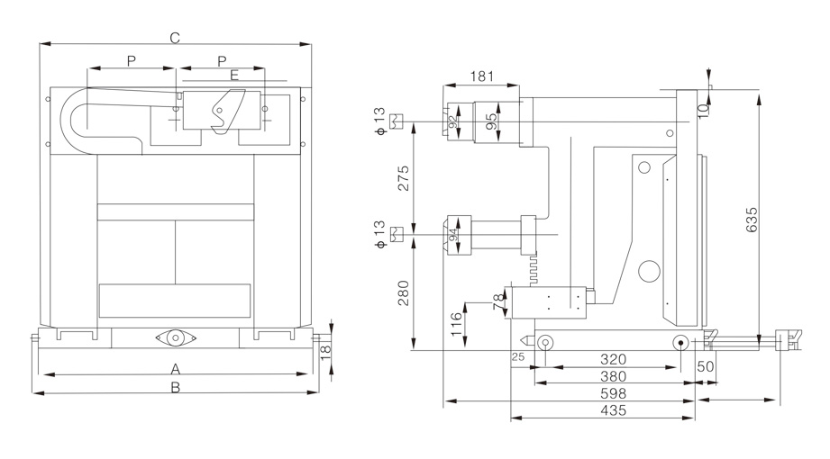
外形安装尺寸

概述
VZF-12R中置固封式真空负荷开关-熔断器组合电器(以下简称真空开关),是根据特殊的设计概念并结合市场需求而研发的最新一代真空开关设备,它广泛应用于户内铠装式空气绝缘开关柜中。他符合GB3804-2004 GB16926-1997等标准规定。
VZF-12R中置固封式真空负荷开关-熔断器组合电器在正常使用条件下,只要在真空开关的技术参数范围内,它就可以保证安全、可靠地运行与相应电压等级的电网中。
环境条件
1、环境温度:最高温度+40C℃,最低温度-25C℃。
2、环境湿度:日平均相对湿度:≤95,月平均相对湿度:≤90%。
3、日平均饱和蒸气压:≤2.2x10-3Mpa。
4、月平均饱和蒸气压:≤1.8x10-3Mpa。
5、海拔高度:不高于1500m
6、地震烈度:不超过8度。
7、适用场所:无滴水,无依然和爆炸危险,无化学腐蚀性气体无剧烈震动。
8、如产品使用环境超出以上规定,用户可以与我公司协商确定。
产品型号及含义

主要技术参数

外形安装尺寸

