产品详情
ZN12-12(40.5G)户内真空断路器
- 厂家信息
- 产品信息
- 规格参数
- 技术文档
浙江虹星电力有限公司是一家以工业电器为核心产品,集设计,科研,制造,销售及服务多功能于一体的跨地区,跨行业的大型经济联合体,系国内工业电器行业主要的产销企业之一。户内外高压真空断路器,真空负荷开关,六氟化硫断路器,隔离开关,接地开关,高低压配电柜等多个系列,多种规格产品的生产及开发。
公司注重对人才的引进培养,拥有一批技能的技术人才,同时引进了具有良好水平的各类生产检测设备,北晟产品拥有着过硬的品质基础,本公司以科技为依托,以质量为保证,以市场为导向,不断加强科技改进。
与日俱增的改进意识和持之以恒的惊喜制造,令我们的产品日新月异,无论世界如何变化,本公司对产品质量的严格要求不变,我们面向新世纪经济全球化机遇,公司不断开发进取,谱写中国电力事业新篇章。
产品图片
ZN12-12(40.5G)

概述
ZN85-40.5/2000-31.5系列户内高压真空断路器适用于三相交流50Hz,40.5kv系统中,可供工矿企业,发电厂及变电站做为分合负荷电流,过载电流,短路电流之用,并适用开频繁操作场合。
正常使用条件
1、周围空气温度:上限+40℃,下限-30℃。
2、海拔高度≤2000m(若需增高海拔,则额定水平相应提高 )。
3、振幅:地震烈度不超过8度。
4、空气相对湿度日平均值不大于95%;月平均值不大于90%
5、无火灾、爆炸危险、严重污染、化学腐蚀剧烈震动的场所
主要技术参数

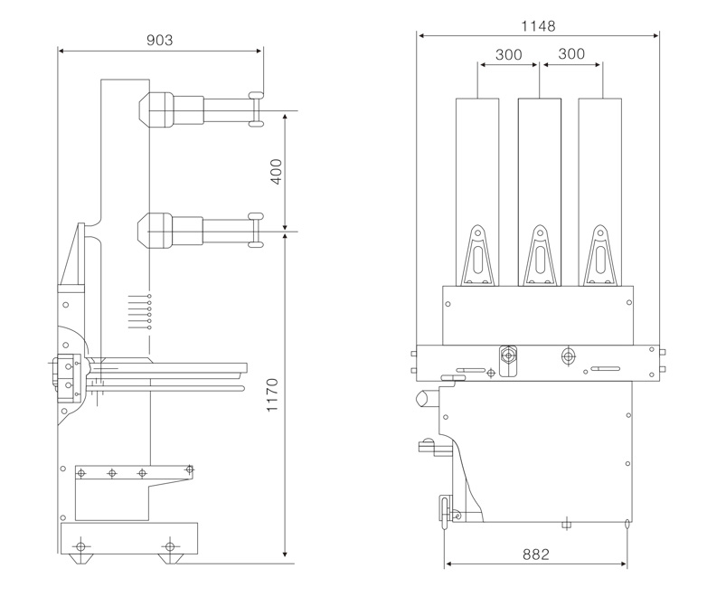
外形安装尺寸

概述
ZN85-40.5/2000-31.5系列户内高压真空断路器适用于三相交流50Hz,40.5kv系统中,可供工矿企业,发电厂及变电站做为分合负荷电流,过载电流,短路电流之用,并适用开频繁操作场合。
正常使用条件
1、周围空气温度:上限+40℃,下限-30℃。
2、海拔高度≤2000m(若需增高海拔,则额定水平相应提高 )。
3、振幅:地震烈度不超过8度。
4、空气相对湿度日平均值不大于95%;月平均值不大于90%
5、无火灾、爆炸危险、严重污染、化学腐蚀剧烈震动的场所
产品型号及含义
主要技术参数

外形安装尺寸

