产品详情

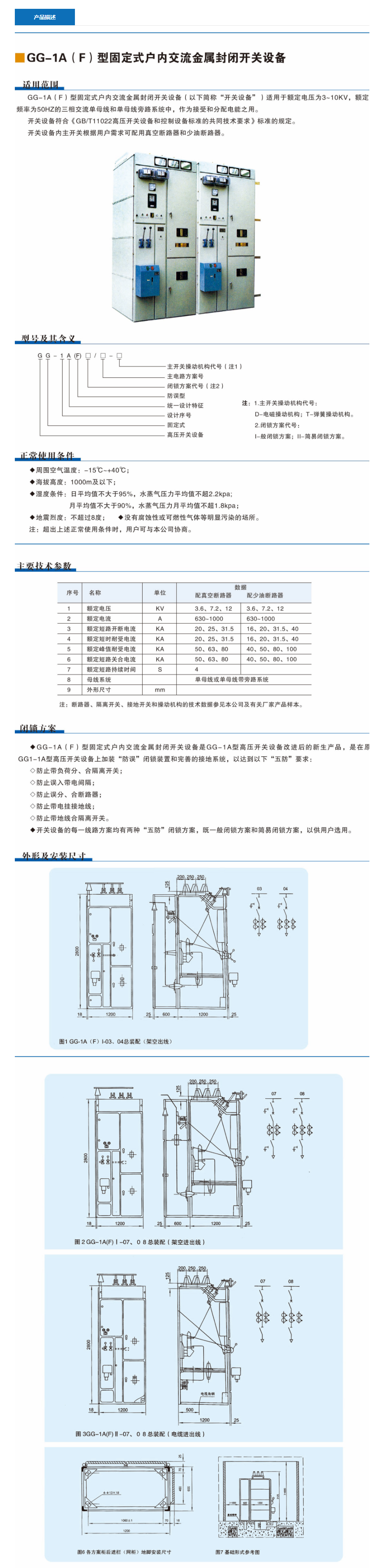
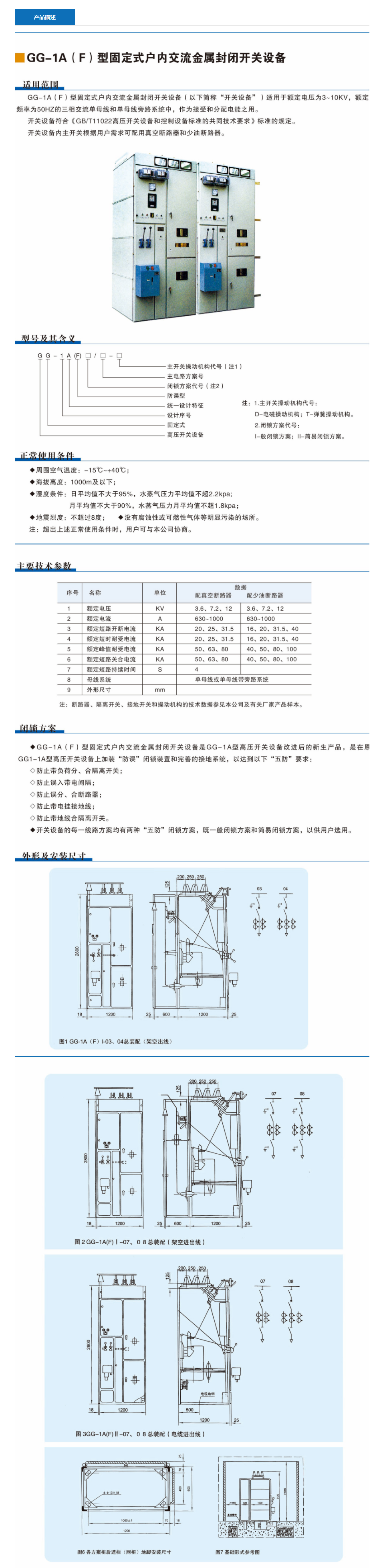
GG-1A(F)型固定式户内交流金属封闭开关设备
- 厂家信息
- 产品信息
- 规格参数
- 技术文档
河北奥斯特电力设备有限公司,是中国高压电器协会成员和高压电器设备的主要生产企业。公司位于京津冀济三角区内,华北明珠白洋淀边,紧邻国家级新区——雄安新区,紧靠京九铁路、大广(大庆-广州)高速、106国道,交通便利。 公司技术力量雄厚,设备齐全,是集研发、生产、销售为一体的股份制企业。 公司技术实力雄厚,加工设备先进,拥有精准的检测设备,现有员工包含技术人员,高级技术人员,电气工程师、机械工程师,工艺师、高级技师。对交流高压隔离开关研发、制造在国内处于高超的水平。公司高薪聘请了从事电气行业多年的专家,同时与多家科研院所联手协作,不断开发出适应市场需求的性能优良的高压电器产品。 公司拥有数台数控机床,可以充分保证隔离开关零配件的加工精度。公司拥有检测设备,其中有回路电阻测试仪、触指压力测试仪、镀银厚度测试仪、工频耐压试验设备、温升测试设备等,为产品质量拥有了强有力的保障。
产品图片
