三相滤波电容器
- 厂家信息
- 产品信息
- 规格参数
- 技术文档
产品图片
三相滤波电容器

主要应用:
广泛应用于工厂、石化、风力发电、电信、公路、高层建筑等配电系统中做为补偿、滤波功能。
无功补偿:
电能质量越来越重要,提高功率因数及谐波抑制是最重要的手段,不仅利于保护环境,而且节约用电成本,投资效益十分显著。
无功功率:
电网中的变压器、电机、感应加热器、线圈等感性负载的电流滞后产生的磁场反向能称为无功功率。此外电力的传输也会产生大量的无功 功率。他们导致:
■ 增加电能消耗及用电成本,
■ 增大电网功率损耗及电网降压,
■ 降低输电效率,
■ 增加变压器损耗及配电电缆尺寸,
■ 引发瞬变,暂态,波动,畸变,下凹等。

Urms=230Vac | ||||||||||
Cn(UF) | D(mm) | H(mm) | Rs(mΩ) | Ls(nH) | 容量偏差(±) | Rth(℃/W) | Imax(A) | Î(kA) | 型号规格 | |
3*84 | 76 | 200 | 3*1 | 100 | 5 | 4.3 | 3*34 | 1.5 | PA335A2310004J* | |
3*105 | 76 | 230 | 3*1.1 | 120 | 5 | 3.8 | 3*36 | 1.4 | PA335A2310005J* | |
3*160 | 86 | 230 | 3*0.8 | 120 | 5 | 3.6 | 3*43 | 1.8 | PA336A2310008J* | |
3*250 | 116 | 200 | 3*0.5 | 110 | 5 | 3.2 | 3*53 | 2.5 | PA333A2310012J* | |
3*330 | 116 | 230 | 3*0.6 | 130 | 5 | 2.8 | 3*54 | 3.5 | PA333A2310016J* | |
Urms=440Vac | ||||||||||
Cn(UF) | D(mm) | H(mm) | Rs(mΩ) | Ls(nH) | 容量偏差(±) | Rth(℃/W) | Imax(A) | Î(kA) | 型号规格 | |
3*13 | 76 | 140 | 3*1.6 | 100 | 5 | 7.0 | 3*22 | 0.8 | PA335A4410002J* | |
3*16.5 | 76 | 140 | 3*1.4 | 100 | 5 | 7.0 | 3*25 | 1.0 | PA335A4410003J* | |
3*26.5 | 76 | 200 | 3*2.7 | 100 | 5 | 4.8 | 3*24 | 0.8 | PA335A4410005J* | |
3*33 | 76 | 200 | 3*2.2 | 100 | 5 | 4.8 | 3*28 | 1.0 | PA335A4410006J* | |
3*50 | 86 | 200 | 3*1.6 | 110 | 5 | 4.0 | 3*34 | 1.3 | PA336A4410009J* | |
3*66 | 86 | 230 | 3*1.8 | 120 | 5 | 3.4 | 3*36 | 1.3 | PA336A4410012J* | |
3*83 | 116 | 200 | 3*1.0 | 110 | 5 | 3.2 | 3*40 | 2.0 | PA333A4410015J* | |
3*100 | 116 | 200 | 3*0.9 | 110 | 5 | 3.2 | 3*43 | 2.4 | PA333A4410018J* | |
3*133 | 136 | 200 | 3*0.8 | 120 | 5 | 3.0 | 3*46 | 2.8 | PA333A4410024J* | |
3*154 | 136 | 200 | 3*0.8 | 120 | 5 | 3.0 | 3*48 | 3.2 | PA333A4410028J* | |
3*170 | 136 | 230 | 3*0.9 | 130 | 5 | 2.8 | 3*45 | 4.2 | PA333A4410031J* | |
Urms=480Vac | ||||||||||
Cn(UF) | D(mm) | H(mm) | Rs(mΩ) | Ls(nH) | 容量偏差(±) | Rth(℃/W) | Imax(A) | Î(kA) | 型号规格 | |
3*100 | 116 | 252 | 3*1.3 | 150 | 5 | 3.0 | 3*100 | 3.2 | PA333A4810022J* | |
Urms=530Vac/540Vac | ||||||||||
Cn(UF) | D(mm) | H(mm) | Rs(mΩ) | Ls(nH) | 容量偏差(±) | Rth(℃/W) | Imax(A) | Î(kA) | 型号规格 | |
3*19 | 76 | 170 | 3*1.2 | 110 | 5 | 6.0 | 3*30 | 1.0 | PA335A5410005J* | |
3*23 | 76 | 170 | 3*1.1 | 110 | 5 | 6.0 | 3*32 | 1.2 | PA335A5410006J* | |
3*30 | 86 | 163 | 3*1.1 | 110 | 5 | 6.1 | 3*40 | 1.4 | PA336A5310008J* | |
3*39 | 86 | 200 | 3*1.1 | 110 | 5 | 4.0 | 3*35 | 1.3 | PA336A5410011J* | |
3*45 | 96 | 200 | 3*1.1 | 110 | 5 | 3.8 | 3*35 | 1.3 | PA33AA5310012J* | |
3*70 | 116 | 206 | 3*1.1 | 110 | 5 | 3.2 | 3*40 | 1.3 | PA333A5310019J* | |
3*100 | 116 | 282 | 3*1.5 | 190 | 5 | 2.8 | 3*100 | 3.2 | PA333A5310026J* | |
3*100 | 136 | 230 | 3*1.1 | 130 | 5 | 2.8 | 3*50 | 1.8 | PA334A5410027J* | |
Urms=600Vac | ||||||||||
Cn(UF) | D(mm) | H(mm) | Rs(mΩ) | Ls(nH) | 容量偏差(±) | Rth(℃/W) | Imax(A) | Î(kA) | 型号规格 | |
3*9 | 76 | 140 | 3*6.5 | 100 | 3 | 10.5 | 3*20 | 0.7 | PA335A0620003S* | |
3*15 | 86 | 140 | 3*4 | 100 | 3 | 9.5 | 3*25 | 0.8 | PA336A0620005S* | |
3*22 | 86 | 200 | 3*5.5 | 110 | 3 | 6.5 | 3*28 | 0.9 | PA336A0620007S* | |
3*33 | 96 | 200 | 3*4.2 | 110 | 3 | 4.2 | 3*33 | 1.0 | PA33AA0620011S* | |
3*45 | 96 | 230 | 3*3.2 | 130 | 3 | 4.5 | 3*40 | 1.3 | PA33AA0620012S* | |
3*60 | 96 | 250 | 3*2.8 | 140 | 3 | 4.2 | 3*45 | 1.5 | PA33AA0620020S* | |
3*70 | 106 | 250 | 3*2.5 | 140 | 3 | 4.0 | 3*48 | 1.6 | PA330A0620024S* | |
3*100 | 116 | 275 | 3*2.2 | 160 | 3 | 3.6 | 3*55 | 1.8 | PA333A0620034S* | |
Urms=690Vac | ||||||||||
Cn(UF) | D(mm) | H(mm) | Rs(mΩ) | Ls(nH) | 容量偏差(±) | Rth(℃/W) | Imax(A) | Î(kA) | 型号规格 | |
3*33.5 | 116 | 170 | 3*1.2 | 110 | 5 | 3.5 | 3*42 | 1.5 | PA333A6910015J* | |
3*34 | 106 | 240 | 3*5 | 150 | 10 | 4.0 | 3*24 | 0.7 | PA330A6910015K* | |
3*38 | 116 | 200 | 3*1.4 | 110 | 5 | 3.2 | 3*40 | 1.3 | PA333A6910017J* | |
3*45 | 116 | 240 | 3*4 | 150 | 10 | 2.8 | 3*32 | 1.0 | PA333A6910020K* | |
Urms=720Vac | ||||||||||
Cn(UF) | D(mm) | H(mm) | Rs(mΩ) | Ls(nH) | 容量偏差(±) | Rth(℃/W) | Imax(A) | Î(kA) | 型号规格 | |
3*100 | 136 | 275 | 3*1.2 | 160 | 5 | 3.6 | 3*52 | 1.6 | PA334A7210049J* | |
Urms=750Vac | ||||||||||
Cn(UF) | D(mm) | H(mm) | Rs(mΩ) | Ls(nH) | 容量偏差(±) | Rth(℃/W) | Imax(A) | Î(kA) | 型号规格 | |
3*75 | 136 | 275 | 3*1.5 | 160 | 5 | 3.6 | 3*55 | 1.6 | PA334A7510040J* | |
Urms=760Vac/850Vac | ||||||||||
Cn(UF) | D(mm) | H(mm) | Rs(mΩ) | Ls(nH) | 容量偏差(±) | Rth(℃/W) | Imax(A) | Î(kA) | 型号规格 | |
3*8 | 76 | 170 | 3*1.4 | 110 | 5 | 6.0 | 3*20 | 0.6 | PA335A8510005J* | |
3*10 | 86 | 170 | 3*1.2 | 110 | 5 | 5.8 | 3*25 | 0.7 | PA336A8510007J* | |
3*12 | 86 | 170 | 3*1.1 | 110 | 5 | 5.8 | 3*29 | 0.9 | PA336A8510008J* | |
3*17 | 106 | 170 | 3*1.0 | 110 | 5 | 3.8 | 3*34 | 1.1 | PA330A8510012J* | |
3*23 | 86 | 230 | 3*1.6 | 120 | 5 | 4.8 | 3*37 | 1.0 | PA336A8510016J* | |
3*28 | 106 | 230 | 3*1.5 | 130 | 5 | 4.2 | 3*38 | 1.0 | PA330A8510019J* | |
3*30 | 106 | 240 | 3*1.5 | 130 | 5 | 4.2 | 3*40 | 1.2 | PA330A8510020J* | |
3*33 | 106 | 230 | 3*1.4 | 130 | 5 | 4.2 | 3*41 | 1.2 | PA330A8510022J* | |
3*38 | 116 | 230 | 3*1.3 | 130 | 5 | 3.0 | 3*42 | 1.4 | PA333A8510026J* | |
3*42 | 116 | 240 | 3*1.3 | 130 | 5 | 3.0 | 3.43 | 1.5 | PA333A8510029J* | |
3*49 | 136 | 230 | 3*1.2 | 130 | 5 | 2.8 | 3*43 | 1.9 | PA334A8510033J* | |
3*55.8 | 136 | 230 | 3*1.2 | 130 | 5 | 2.8 | 3*45 | 2.2 | PA334A8510038J* | |
Urms=1050Vac | ||||||||||
Cn(UF) | D(mm) | H(mm) | Rs(mΩ) | Ls(nH) | 容量偏差(±) | Rth(℃/W) | Imax(A) | Î(kA) | 型号规格 | |
3*25 | 136 | 230 | 3*1.6 | 130 | 5 | 2.8 | 3*15 | 0.5 | PA334A1120026J* | |

电容器主型号:电力电容器主型号由电容器类别代号组成。
电压类别:相数:31--单相交流;33--三相交流。
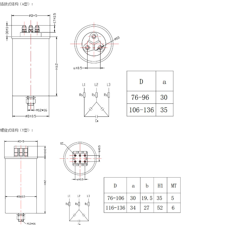
外壳外径:外壳尺寸大小,见附录A。
版本号:A, B, C, D...
额定电压:额定电压由三位字符组成,单位为kVa.c.,如:“451”表示45*101kVa.c.。
额定容量:定容量由四位数字组成,单位为kvar,如:“0030”表示30kvar。
接线方式:YN--表示三相分补;共补型不加符号。
引出类型:引出端子类型,见附录B。
主要应用:
广泛应用于工厂、石化、风力发电、电信、公路、高层建筑等配电系统中做为补偿、滤波功能。
无功补偿:
电能质量越来越重要,提高功率因数及谐波抑制是最重要的手段,不仅利于保护环境,而且节约用电成本,投资效益十分显著。
无功功率:
电网中的变压器、电机、感应加热器、线圈等感性负载的电流滞后产生的磁场反向能称为无功功率。此外电力的传输也会产生大量的无功 功率。他们导致:
■ 增加电能消耗及用电成本,
■ 增大电网功率损耗及电网降压,
■ 降低输电效率,
■ 增加变压器损耗及配电电缆尺寸,
■ 引发瞬变,暂态,波动,畸变,下凹等。

Urms=230Vac | ||||||||||
Cn(UF) | D(mm) | H(mm) | Rs(mΩ) | Ls(nH) | 容量偏差(±) | Rth(℃/W) | Imax(A) | Î(kA) | 型号规格 | |
3*84 | 76 | 200 | 3*1 | 100 | 5 | 4.3 | 3*34 | 1.5 | PA335A2310004J* | |
3*105 | 76 | 230 | 3*1.1 | 120 | 5 | 3.8 | 3*36 | 1.4 | PA335A2310005J* | |
3*160 | 86 | 230 | 3*0.8 | 120 | 5 | 3.6 | 3*43 | 1.8 | PA336A2310008J* | |
3*250 | 116 | 200 | 3*0.5 | 110 | 5 | 3.2 | 3*53 | 2.5 | PA333A2310012J* | |
3*330 | 116 | 230 | 3*0.6 | 130 | 5 | 2.8 | 3*54 | 3.5 | PA333A2310016J* | |
Urms=440Vac | ||||||||||
Cn(UF) | D(mm) | H(mm) | Rs(mΩ) | Ls(nH) | 容量偏差(±) | Rth(℃/W) | Imax(A) | Î(kA) | 型号规格 | |
3*13 | 76 | 140 | 3*1.6 | 100 | 5 | 7.0 | 3*22 | 0.8 | PA335A4410002J* | |
3*16.5 | 76 | 140 | 3*1.4 | 100 | 5 | 7.0 | 3*25 | 1.0 | PA335A4410003J* | |
3*26.5 | 76 | 200 | 3*2.7 | 100 | 5 | 4.8 | 3*24 | 0.8 | PA335A4410005J* | |
3*33 | 76 | 200 | 3*2.2 | 100 | 5 | 4.8 | 3*28 | 1.0 | PA335A4410006J* | |
3*50 | 86 | 200 | 3*1.6 | 110 | 5 | 4.0 | 3*34 | 1.3 | PA336A4410009J* | |
3*66 | 86 | 230 | 3*1.8 | 120 | 5 | 3.4 | 3*36 | 1.3 | PA336A4410012J* | |
3*83 | 116 | 200 | 3*1.0 | 110 | 5 | 3.2 | 3*40 | 2.0 | PA333A4410015J* | |
3*100 | 116 | 200 | 3*0.9 | 110 | 5 | 3.2 | 3*43 | 2.4 | PA333A4410018J* | |
3*133 | 136 | 200 | 3*0.8 | 120 | 5 | 3.0 | 3*46 | 2.8 | PA333A4410024J* | |
3*154 | 136 | 200 | 3*0.8 | 120 | 5 | 3.0 | 3*48 | 3.2 | PA333A4410028J* | |
3*170 | 136 | 230 | 3*0.9 | 130 | 5 | 2.8 | 3*45 | 4.2 | PA333A4410031J* | |
Urms=480Vac | ||||||||||
Cn(UF) | D(mm) | H(mm) | Rs(mΩ) | Ls(nH) | 容量偏差(±) | Rth(℃/W) | Imax(A) | Î(kA) | 型号规格 | |
3*100 | 116 | 252 | 3*1.3 | 150 | 5 | 3.0 | 3*100 | 3.2 | PA333A4810022J* | |
Urms=530Vac/540Vac | ||||||||||
Cn(UF) | D(mm) | H(mm) | Rs(mΩ) | Ls(nH) | 容量偏差(±) | Rth(℃/W) | Imax(A) | Î(kA) | 型号规格 | |
3*19 | 76 | 170 | 3*1.2 | 110 | 5 | 6.0 | 3*30 | 1.0 | PA335A5410005J* | |
3*23 | 76 | 170 | 3*1.1 | 110 | 5 | 6.0 | 3*32 | 1.2 | PA335A5410006J* | |
3*30 | 86 | 163 | 3*1.1 | 110 | 5 | 6.1 | 3*40 | 1.4 | PA336A5310008J* | |
3*39 | 86 | 200 | 3*1.1 | 110 | 5 | 4.0 | 3*35 | 1.3 | PA336A5410011J* | |
3*45 | 96 | 200 | 3*1.1 | 110 | 5 | 3.8 | 3*35 | 1.3 | PA33AA5310012J* | |
3*70 | 116 | 206 | 3*1.1 | 110 | 5 | 3.2 | 3*40 | 1.3 | PA333A5310019J* | |
3*100 | 116 | 282 | 3*1.5 | 190 | 5 | 2.8 | 3*100 | 3.2 | PA333A5310026J* | |
3*100 | 136 | 230 | 3*1.1 | 130 | 5 | 2.8 | 3*50 | 1.8 | PA334A5410027J* | |
Urms=600Vac | ||||||||||
Cn(UF) | D(mm) | H(mm) | Rs(mΩ) | Ls(nH) | 容量偏差(±) | Rth(℃/W) | Imax(A) | Î(kA) | 型号规格 | |
3*9 | 76 | 140 | 3*6.5 | 100 | 3 | 10.5 | 3*20 | 0.7 | PA335A0620003S* | |
3*15 | 86 | 140 | 3*4 | 100 | 3 | 9.5 | 3*25 | 0.8 | PA336A0620005S* | |
3*22 | 86 | 200 | 3*5.5 | 110 | 3 | 6.5 | 3*28 | 0.9 | PA336A0620007S* | |
3*33 | 96 | 200 | 3*4.2 | 110 | 3 | 4.2 | 3*33 | 1.0 | PA33AA0620011S* | |
3*45 | 96 | 230 | 3*3.2 | 130 | 3 | 4.5 | 3*40 | 1.3 | PA33AA0620012S* | |
3*60 | 96 | 250 | 3*2.8 | 140 | 3 | 4.2 | 3*45 | 1.5 | PA33AA0620020S* | |
3*70 | 106 | 250 | 3*2.5 | 140 | 3 | 4.0 | 3*48 | 1.6 | PA330A0620024S* | |
3*100 | 116 | 275 | 3*2.2 | 160 | 3 | 3.6 | 3*55 | 1.8 | PA333A0620034S* | |
Urms=690Vac | ||||||||||
Cn(UF) | D(mm) | H(mm) | Rs(mΩ) | Ls(nH) | 容量偏差(±) | Rth(℃/W) | Imax(A) | Î(kA) | 型号规格 | |
3*33.5 | 116 | 170 | 3*1.2 | 110 | 5 | 3.5 | 3*42 | 1.5 | PA333A6910015J* | |
3*34 | 106 | 240 | 3*5 | 150 | 10 | 4.0 | 3*24 | 0.7 | PA330A6910015K* | |
3*38 | 116 | 200 | 3*1.4 | 110 | 5 | 3.2 | 3*40 | 1.3 | PA333A6910017J* | |
3*45 | 116 | 240 | 3*4 | 150 | 10 | 2.8 | 3*32 | 1.0 | PA333A6910020K* | |
Urms=720Vac | ||||||||||
Cn(UF) | D(mm) | H(mm) | Rs(mΩ) | Ls(nH) | 容量偏差(±) | Rth(℃/W) | Imax(A) | Î(kA) | 型号规格 | |
3*100 | 136 | 275 | 3*1.2 | 160 | 5 | 3.6 | 3*52 | 1.6 | PA334A7210049J* | |
Urms=750Vac | ||||||||||
Cn(UF) | D(mm) | H(mm) | Rs(mΩ) | Ls(nH) | 容量偏差(±) | Rth(℃/W) | Imax(A) | Î(kA) | 型号规格 | |
3*75 | 136 | 275 | 3*1.5 | 160 | 5 | 3.6 | 3*55 | 1.6 | PA334A7510040J* | |
Urms=760Vac/850Vac | ||||||||||
Cn(UF) | D(mm) | H(mm) | Rs(mΩ) | Ls(nH) | 容量偏差(±) | Rth(℃/W) | Imax(A) | Î(kA) | 型号规格 | |
3*8 | 76 | 170 | 3*1.4 | 110 | 5 | 6.0 | 3*20 | 0.6 | PA335A8510005J* | |
3*10 | 86 | 170 | 3*1.2 | 110 | 5 | 5.8 | 3*25 | 0.7 | PA336A8510007J* | |
3*12 | 86 | 170 | 3*1.1 | 110 | 5 | 5.8 | 3*29 | 0.9 | PA336A8510008J* | |
3*17 | 106 | 170 | 3*1.0 | 110 | 5 | 3.8 | 3*34 | 1.1 | PA330A8510012J* | |
3*23 | 86 | 230 | 3*1.6 | 120 | 5 | 4.8 | 3*37 | 1.0 | PA336A8510016J* | |
3*28 | 106 | 230 | 3*1.5 | 130 | 5 | 4.2 | 3*38 | 1.0 | PA330A8510019J* | |
3*30 | 106 | 240 | 3*1.5 | 130 | 5 | 4.2 | 3*40 | 1.2 | PA330A8510020J* | |
3*33 | 106 | 230 | 3*1.4 | 130 | 5 | 4.2 | 3*41 | 1.2 | PA330A8510022J* | |
3*38 | 116 | 230 | 3*1.3 | 130 | 5 | 3.0 | 3*42 | 1.4 | PA333A8510026J* | |
3*42 | 116 | 240 | 3*1.3 | 130 | 5 | 3.0 | 3.43 | 1.5 | PA333A8510029J* | |
3*49 | 136 | 230 | 3*1.2 | 130 | 5 | 2.8 | 3*43 | 1.9 | PA334A8510033J* | |
3*55.8 | 136 | 230 | 3*1.2 | 130 | 5 | 2.8 | 3*45 | 2.2 | PA334A8510038J* | |
Urms=1050Vac | ||||||||||
Cn(UF) | D(mm) | H(mm) | Rs(mΩ) | Ls(nH) | 容量偏差(±) | Rth(℃/W) | Imax(A) | Î(kA) | 型号规格 | |
3*25 | 136 | 230 | 3*1.6 | 130 | 5 | 2.8 | 3*15 | 0.5 | PA334A1120026J* | |

电容器主型号:电力电容器主型号由电容器类别代号组成。
电压类别:相数:31--单相交流;33--三相交流。
外壳外径:外壳尺寸大小,见附录A。
版本号:A, B, C, D...
额定电压:额定电压由三位字符组成,单位为kVa.c.,如:“451”表示45*101kVa.c.。
额定容量:定容量由四位数字组成,单位为kvar,如:“0030”表示30kvar。
接线方式:YN--表示三相分补;共补型不加符号。
引出类型:引出端子类型,见附录B。
