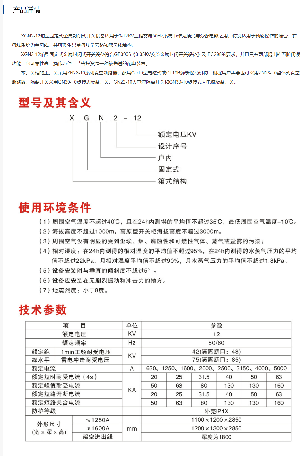
产品详情
XGN2-12箱型固定式交流金属封闭开关柜
- 厂家信息
- 产品信息
- 规格参数
- 技术文档
江西志通电力开关有限公司是一家专业生产高低压成套开关设备和电气组件的企业,具有AAA企业信用等级、AAA重合同守信用等级的企业,位于南昌新建县璜垦外商工业区占地面积8000多平方米。工程师、工程技术人员、电气安装、操作工人均经过相关专业的培训,引进数控加工中心,全面实现了计算机辅助设计,自动化静电喷涂流水线,具有年产值上亿元的管理水平和生产能力。
江西志通电力开关有限公司长期以来重视技术创新,将新产品开发视为企业发展的关键,以市场需求为导向,以国际产品水平为参照,不断引进开发出适应市场需求的高精产品。主要生产KYN28-12高压开关柜、HXGN高压环网柜、MNS低压开关柜、GCJ低压无功功率补偿装置、GGD低压开关柜、XL动力柜/箱、XMZJ配电箱、箱变、直流屏、有源滤波柜等等。产品主要覆盖高低压电器、成套输配电设备、仪器仪表、工业自动化、建筑电器、风力和太阳能系统、能源回收发电系统等;产品主要用应于:建筑、电厂、工厂、铁路、公路、机场等交通项目,并可以为以上项目提供电气成套低碳节能解决方案。各系统产品先后通过国家强制3C认证、ISO9001认证、各检测站所严格检测,具有国内高低压成套开关设备水平。
本厂产品安全服务各行各业,靠着严格而细致的产品检测、精益求精的生产工艺,为可靠的产品质量打下了坚实的基础,受到了用户的一致好评。
随着信息时代的发展,我厂注重企业的规范化、科学化、现代化管理,以便改观产品的设计手段、提高产品质量。
产品图片
XGN2-12箱型固定式交流金属封闭开关柜



