河南第十五批765MW源网荷储项目清单:粤网新能源(河南)、华润、阳光新能源等领衔
11月21日,河南省发改委印发第十五批源网荷储一体化项目。
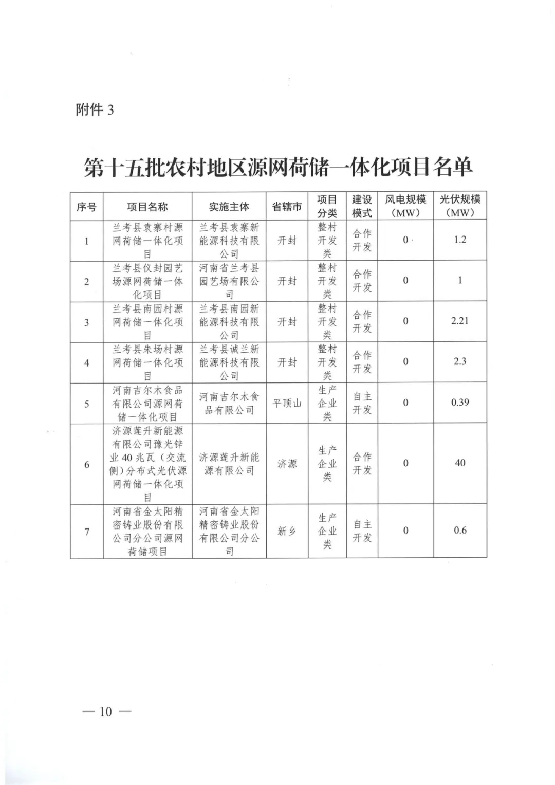
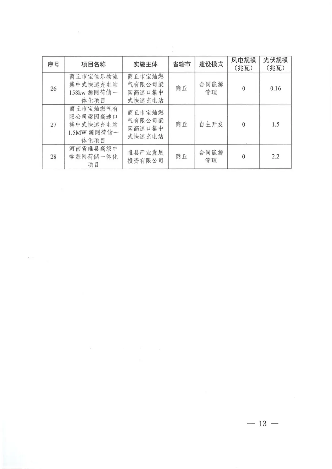
根据通知,本次共103个项目纳入实施范围,其中,工业企业类63个、增量配电网类1个、农村地区类7个、项目信息变更及其他类32个。风电规模共计163.75MW,光伏规模共计601.51MW,新能源合计765.26MW。
业主方面,粤网新能源(河南)有限公司获取本批次新能源指标最多,为100MW;其次为华润,获取指标77MW;三门峡粤能风光新能源有限公司、中国兵器工业集团有限公司、广粤新能源(河南)有限公司、粤工新能源(河南)有限公司、阳光新能源等5家企业分别获取50MW新能源。

此外,本批次还披露了4个项目变更实施主体情况。
据风芒能源跟踪,2024年6月起至今,河南已下发十五批源网荷储一体化项目清单。
值得一提的是,河南公布的多批次源网荷储一体化项目,业主多为小微企业,单个项目新能源规模相对较小。
7月23日,河南省发改委发布《关于实施第二批源网荷储一体化项目的通知》,风电项目容量共计723.4MW;光伏项目容量共计241.41MW。第二批共涉及42个业主,其中河南利源煤业有限公司项目规模为100MW,位居首位。
8月30日,河南省发改委发布《关于实施第三批源网荷储一体化项目(工业企业类、增量配电网类)的通知》,总规模为637.6MW。其中,风电项目规模为508.7MW,光伏项目为128.9MW。第三批共涉及21个业主,中国平煤神马控股集团有限公司规模最大,为230MW。
11月4日,河南省发展和改革委员会发布《关于实施第四批源网荷储一体化项目的通知》。根据统计,本批次涉及项目规模共653.91MW,其中光伏418.91MW、风电235MW。第四批共涉及49个业主,牧原食品容量最多,为120.79MW。
2025年2月28日,河南发改委印发《关于实施第六批源网荷储一体化项目的通知》,总规模共计438.06MW,其中涉及3个风电相关项目,容量共计142.9MW;其余均为光伏相关项目,容量共计295.16MW。本批次共涉及34个业主,河南国有资本运营集团有限公司容量最多,为84MW。
3月21日,河南省发改委印发《关于实施第七批源网荷储一体化项目的通知》,总规模为457.66MW,其中风电325MW,光伏132.66MW。本批次涉及24个业主;河南豫联能源集团有限责任公司容量最多,为100MW,均为风电。
4月18日,河南省发改委印发《关于实施第八批源网荷储一体化项目的通知》,涉及新能源规模420.02MW,其中风电246.25MW,光伏173.77MW。本批次共26个业主,实控人为卢氏县国有资产监督管理局的河南莘川清洁能源有限公司于本批源网荷储一体化项目中获取新能源容量最多,为91.5MW。
5月22日,河南省发改委发布《关于实施第九批源网荷储一体化项目的通知》,涉及新能源规模335.28MW,其中风电116.2MW,光伏219.08MW。本批次源网荷储一体化项目共有36个业主。其中,国家电投在本批指标中获取新能源规模最大,为75MW。
6月16日,河南省发改委发布《关于实施第十批源网荷储一体化项目的通知》,本次共63个项目纳入实施范围,其中,工业企业类35个、增量配电网类1个、农村地区类8个、其他类19个。涉及新能源规模360.65MW,其中风电120MW;光伏240.65MW。
7月14日,河南省发改委发布《关于实施第十一批源网荷储一体化项目的通知》,本次共49个项目纳入实施范围,其中,工业企业类34个农村地区类3个、项目信息变更及其他类12个。涉及新能源规模共计451.43MW,其中风电301.5MW;光伏150.28MW。
8月19日,河南省发改委印发《关于实施第十二批源网荷储一体化项目的通知》。本次共65个项目纳入实施范围,其中,工业企业类39个、农村地区类4个、项目信息变更及其他类22个。涉及新能源规模563.83MW,风电240MW,光伏323.83MW。
9月23日,河南省发改委印发《关于实施第十三批源网荷储一体化项目的通知》。本次共45个项目纳入实施范围,其中,工业企业类29个、增量配电网类1个、农村地区类5个、项目信息变更及其他类10个。涉及新能源规模350.82MW,其中风电200.95MW,光伏149.87MW。
10月,河南省发改委发布《关于印发第十四批源网荷储一体化项目的通知》。本次共61个项目纳入实施范围,其中,工业企业类41个、项目信息变更及其他类20个。风电规模共计330MW,光伏规模共计217.78MW,合计547.78MW。
详情见下:















免责声明
本文转自河南省发改委。文章版权归原作者及原出处所有。本文提供参考并不构成任何投资及应用建议,亦不用于任何商业目的,如涉及作品内容、版权和其它问题,请及时联系我们,我们将根据著作权人的要求,立即更正或者删除有关内容。
觅特友,为您找到更多工程好友!
电脑端访问:http://www.mty360.com
微信搜索小程序:觅特友
